О компании
О нас Присутствие Миссия Ценности Стратегическое развитие Сотрудничество для поставщиков ОТ, ПБ и ООС Система менеджмента качества Корпоративная этика и и комплаенс
Решения
Бизнес-направления Производственные мощности Продукция Школа ТОФС Программное обеспечение
Бизнес-направления
Системы механизированной добычи Буровые долота Буровые сервисы Буровые растворы и жидкости заканчивания Заканчивание скважин и КРС Внутрискважинные операции Интегрированные скважинные сервисы Геология и разработка месторождений
Производственные мощности
Тюменский завод нефтепромыслового оборудования Нижневартовский завод механической обработки Цех по производству и сервисному обслуживанию долот Тюменский производственный комплекс Центр разработки электронных плат
Программное обеспечение
TOP_OFS GeoDSI GammaTest
Продукция
Нефтепогружные кабели Буровые долота Продукция - УЭЦН
Нефтепогружные кабели
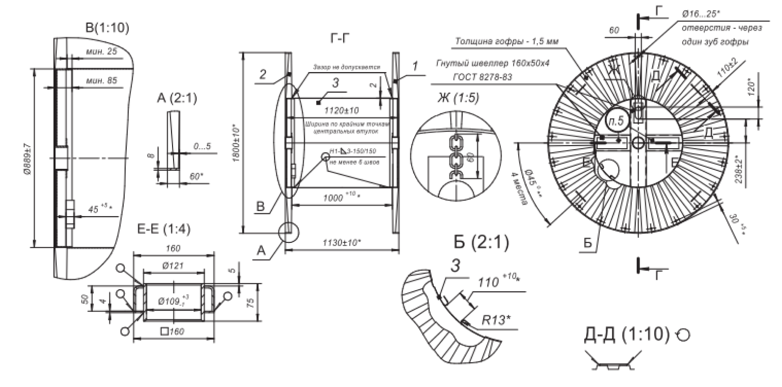
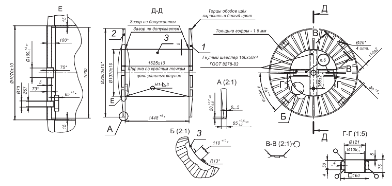
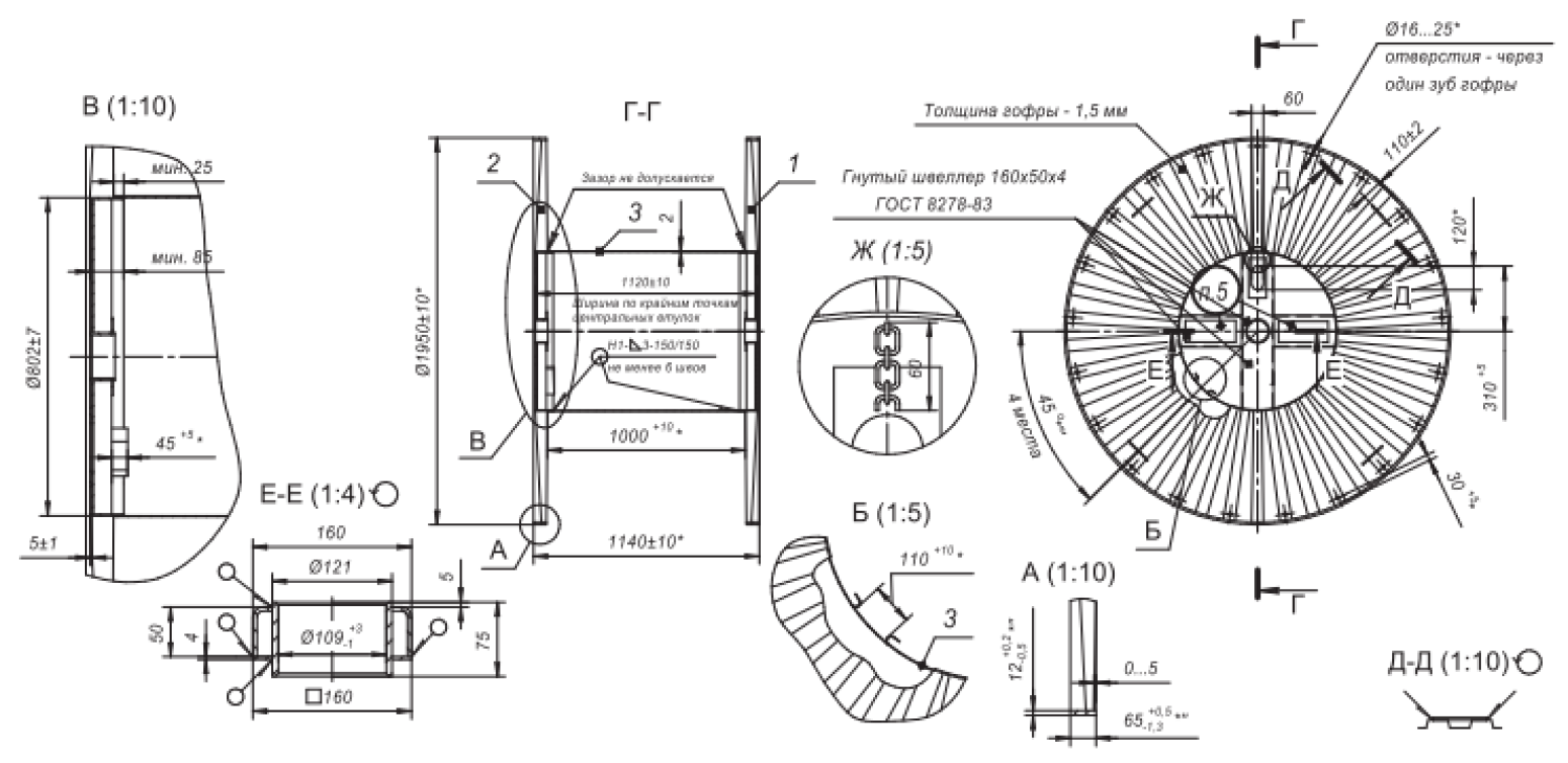
Кабель CELF Кабель CTTF Кабель CTHT Кабельные барабаны
Буровые долота
Буровое долото - OTM405S Буровое долото - OTM407SX Буровое долото - OTM505S Буровое долото - OTM606SX Буровое долото - OTR505S
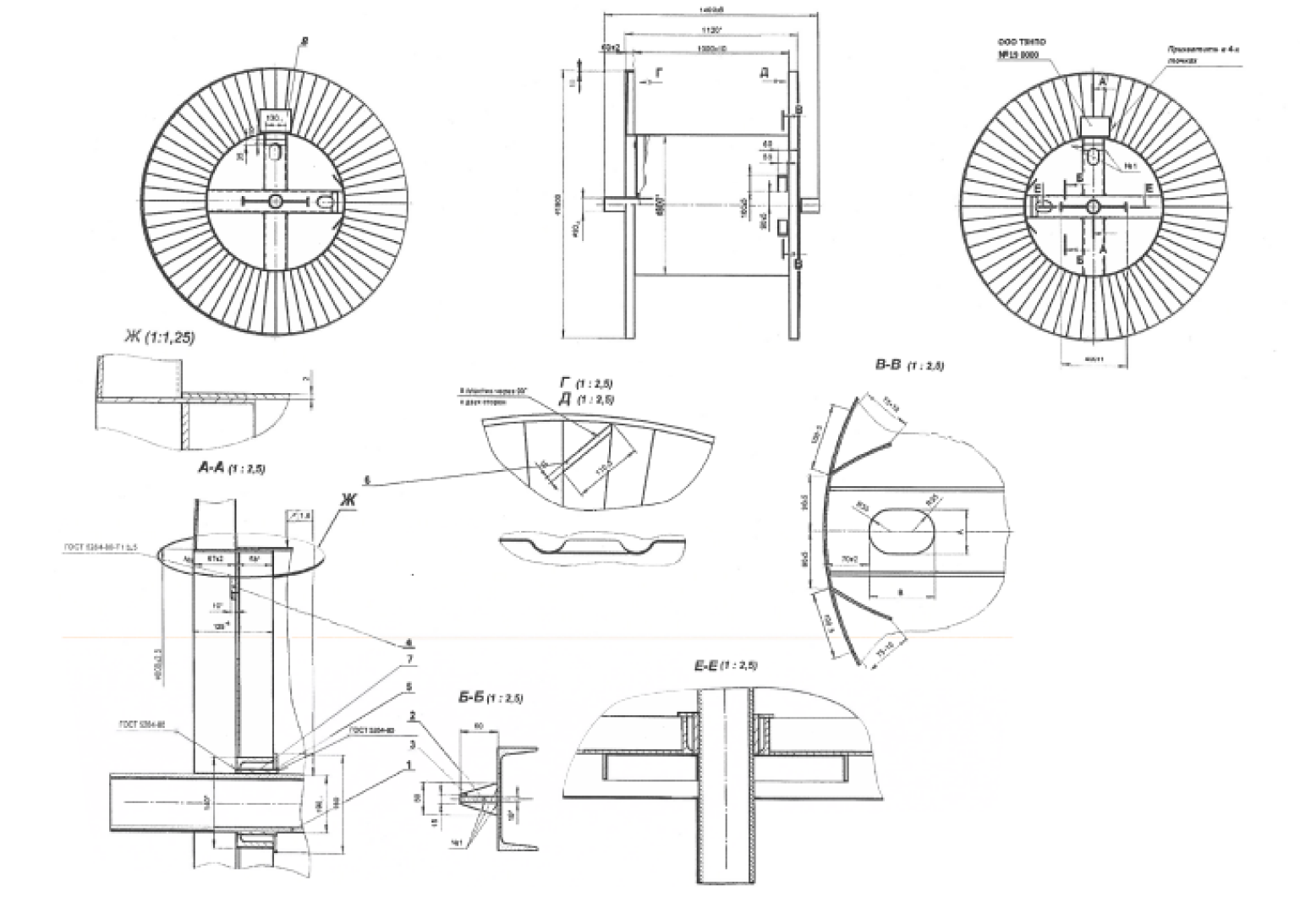
Продукция - Катушки